凱基特標準型接近開關,動作可靠,性能穩定,頻率響應快,應用壽命長,抗干擾能力強,廣泛地應用于機床、冶金、化工、輕紡和印刷等行業。產品外形尺寸,線纜,檢測距離均可定制。

| ● 能檢測各種金屬物體 | 直流兩線常開 |
| ● 具有浪涌、過載、短路、逆極性保護功能 | 直流兩線常閉 |
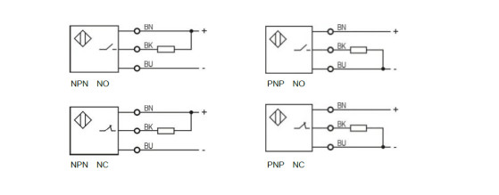
| ● 外殼材料:鎳銅合金 | 直流三線NPN常開 |
| ● 防護等級IP67(IEC) | 直流三線NPN常閉 |
| ● 環境溫度:-25℃~+70℃ | 直流單線PNP常開 |
| 直流三線pnp常閉 | |
| 交流兩線常開 | |
| 交流兩線常閉 | |
| 交直流兩線常開 | |
| 交直流兩線常閉 |

| 產品型號 | KJT-J18 |
| 安裝方式 | 非埋入式 |
| 檢測距離 | 5/8/12/mm |
| 工作環境溫度 | -25℃~+70℃ |
| 外形規格 | M18*55 |
| 工作電壓 | 10-36VDC / 90-250VAC / 20-250VAC |
| 漣波 | <10% |
| 空載電流 | <10mA |
| 最大負載電流 | 200mA |
| 電壓降 | ≤1.5V |
| 開關頻率 | 1000Hz |
| 遲滯 | <15(Sr) |
| 過載保護電流 | 220mA |
| 短路保護 | YES |
| 重復精度 | <3.0%(Sr) |
| 溫度漂移 | <10%(Sr) |
| 響應時間 | 0.5ms |
| 連接方式 | 2M PVC引線 |
| 防護等級 | IP67 |
| 感應面材質 | PBT |
| 外殼材質 | 銅鍍鎳 |
| EMC | RFI>3V/M / EFT>1KV / ESD>4KV(contact) |
| 沖擊/震動 | IEC 60947-5-2,Part7.4.1 / IEC 60947-5-2,Part7.4.2 |





